貼片NTC熱敏電阻應用示例及全球制造商簡介
發布時間:2024-03-10 11:41:39 瀏覽次數:428
貼片NTC熱(re)敏(min)電(dian)(dian)阻(zu)是一種(zhong)由錳(meng)、鈷(gu)、鎳(nie)為主多種(zhong)金(jin)屬氧(yang)化(hua)物為原料燒結(jie)而成(cheng)的(de)(de)陶瓷半導體(ti)感熱(re)晶體(ti),對(dui)溫(wen)度(du)變化(hua)的(de)(de)敏(min)感度(du)極高,其零功(gong)率(lv)電(dian)(dian)阻(zu)值(zhi)隨著本(ben)體(ti)溫(wen)度(du)升高而呈指(zhi)數關系下降。根據其R-T阻(zu)溫(wen)曲線,可(ke)以測算(suan)出(chu)每一個溫(wen)度(du)點精確(que)的(de)(de)電(dian)(dian)阻(zu)值(zhi),在電(dian)(dian)路中可(ke)通過電(dian)(dian)阻(zu)值(zhi)來(lai)(lai)實現溫(wen)度(du)的(de)(de)數字(zi)化(hua)對(dui)應,用來(lai)(lai)進行溫(wen)度(du)的(de)(de)測量和控(kong)制。
本(ben)文就(jiu)貼片NTC熱敏電阻的溫度(du)(du)檢測及控制與溫度(du)(du)補償等功能而(er)作為溫度(du)(du)保護器件(jian)的應用示例(li)進(jin)行介紹。
? 溫(wen)度測量(liang):電子溫(wen)度計(ji)、電子萬年歷、電子鐘溫(wen)度顯示、電子禮品等;
? 溫(wen)度控制:手(shou)機、汽車(che)電(dian)話、筆(bi)記(ji)本(ben)電(dian)腦、智能穿(chuan)戴設備等設備充(chong)電(dian)電(dian)池的溫(wen)度傳感;
? 溫度補償:移動通信設(she)備的晶體管、IC和(he)晶體振蕩器的溫度補償。
1 數顯溫(wen)(wen)度計及電子(zi)體溫(wen)(wen)計的溫(wen)(wen)度測量
貼(tie)片NTC熱敏電阻作為溫度數據(ju)采(cai)集的最前(qian)端輸入,進(jin)入放大電路(lu)進(jin)行充分的放大處(chu)理后,進(jin)入CPU中的A/D變換電(dian)路,高位雙積分式(shi)的A/D電路(lu)將采集到的(de)溫(wen)度值(模(mo)擬)轉(zhuan)換成精細的(de)數(shu)字bit信號,再給(gei)CPU的一系(xi)列運作變換處理驅動顯示出來,實現對被(bei)測物體(ti)的溫度(du)實時(shi)顯示。


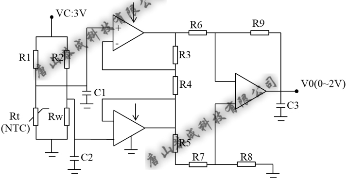
2 智能手機與平板中的溫(wen)度(du)檢測與溫(wen)度(du)補償
通(tong)常都有一(yi)定的(de)溫(wen)度系(xi)數(shu),其輸出信號會隨溫(wen)度變化而漂移,稱為“溫漂”。為了減小(xiao)溫漂(piao),需要采用溫度補償(chang)措施在一定程(cheng)度上抵消或(huo)減小(xiao)其(qi)輸(shu)出的(de)溫漂(piao)。
溫度補償的基(ji)本(ben)電路是與貼(tie)片NTC熱敏(min)電(dian)阻以及固定電(dian)阻進行串聯的分壓電(dian)路。CPU及功率模(mo)塊等安裝在發(fa)熱部位附近的貼片NTC熱(re)敏電阻(zu)的(de)電阻(zu)值會(hui)(hui)隨溫度上升(sheng)而(er)下降,因此分壓電路的(de)輸(shu)出電壓會(hui)(hui)發(fa)生變化(hua)。該變化(hua)輸(shu)送至微(wei)控制(zhi)器后將會(hui)(hui)保護電路元件免受(shou)過熱(re)造成的(de)影響,或進行溫度補償。

溫度(du)檢(jian)測/溫度補償基本電路

3 移動設備(bei)電池(chi)充電中的溫度檢測
大(da)多數中小型電(dian)池(chi)組(zu)通(tong)常使用(yong)多路熱敏電(dian)阻(zu)(zu)來監測溫(wen)度:一(yi)路熱敏電(dian)阻(zu)(zu)位(wei)于(yu)(yu)電(dian)池(chi)組(zu)之外,主要(yao)用(yong)于(yu)(yu)測量環境溫(wen)度;其他(ta)一(yi)路或多路熱敏電(dian)阻(zu)(zu)位(wei)于(yu)(yu)電(dian)池(chi)組(zu)的中心。恰(qia)當(dang)的溫(wen)度檢測可防止電(dian)池(chi)發生熱逸潰,并確保其充(chong)電(dian)或放電(dian)安全。即在(zai)電(dian)池(chi)組(zu)的+端子與-端(duan)子(zi)(zi)之(zhi)外,設置一(yi)個(ge)溫度監測(ce)用端(duan)子(zi)(zi),其內部搭(da)載有(you)貼片NTC熱敏電(dian)阻(zu)。在電(dian)池(chi)溫度上升時,貼片NTC熱敏電阻電阻值會下降(jiang),當超(chao)過上限(xian)充電溫度(du)時,充電控制IC將(jiang)會停(ting)止充電。下圖為基(ji)本(ben)電路示例。電池組內的保護(hu)IC會(hui)測量電(dian)池電(dian)壓,從(cong)而防(fang)止過(guo)充電(dian)或(huo)過(guo)放電(dian)。
在快速充(chong)電等要求充(chong)電控(kong)制(zhi)更為精(jing)準的情(qing)況時,將會使貼片(pian)NTC熱敏(min)電阻(zu)與(yu)充電控制IC進行(xing)連接(jie),從而用于測(ce)量(liang)環(huan)境溫(wen)度。

4 晶(jing)體振(zhen)蕩器(qi)的(de)溫度補(bu)償(chang)
在電(dian)腦等(deng)電(dian)子設備中,若要產生(sheng)基(ji)準頻率(時(shi)鐘(zhong)基準信號),則需要使(shi)用(yong)(yong)利用(yong)(yong)晶(jing)振的(de)晶(jing)體(ti)振蕩器。晶(jing)振溫度特性如下圖圖片曲線(紅線:無溫度補償)所示,呈(cheng)現以基準(zhun)溫度(通(tong)常為(wei)25℃)為拐點的(de)3次曲線,振(zhen)動頻率(lv)偏差(縱(zong)軸)隨溫度發生(sheng)大幅(fu)變化。而(er)通過(guo)在低溫范(fan)圍(wei)(wei)與高溫范(fan)圍(wei)(wei)分別插入與晶(jing)振(zhen)(zhen)溫度特(te)性(xing)相反的補(bu)償電(dian)路便(bian)可縮小振(zhen)(zhen)動(dong)頻率偏(pian)差(藍線:有溫度(du)補償)。該(gai)補償(chang)電路(lu)為(wei)模(mo)擬方(fang)式,低溫(wen)范圍與高(gao)溫(wen)范圍的補償(chang)電路(lu)分(fen)別由(you)貼(tie)片NTC熱敏電(dian)阻(zu)與(yu)電(dian)容器(qi)、電(dian)阻(zu)構成。內置溫度補(bu)償(chang)電(dian)路的晶(jing)體(ti)振蕩器(qi)稱為TCXO(溫度(du)補償型(xing)晶體振蕩器、Temperature Compensated Xtal Oscillator)。


上一篇: 亞洲亂碼日產精品BD在線觀看:LED專用疊層貼片壓敏電阻
下一篇: 沒有了!
